您好,欢迎进入台颖电子科技(上海)有限公司!
网站地图
(
百度
/
谷歌
)
|
技术支持
|
联系我们
24小时咨询热线:
13862648623
网站首页
关于我们
公司简介
公司文化
产品中心
ADDA交流风扇
ADDA直流风扇
ADDA离心风扇
ADDA防水风扇
ADDA大风量风机…
新闻中心
公司新闻
行业动态
常见问题
应用领域
技术支持
客户留言
联系我们
ADDA直流风扇
ADDA交流风扇
ADDA直流风扇
ADDA离心风扇
ADDA防水风扇
ADDA大风量风机
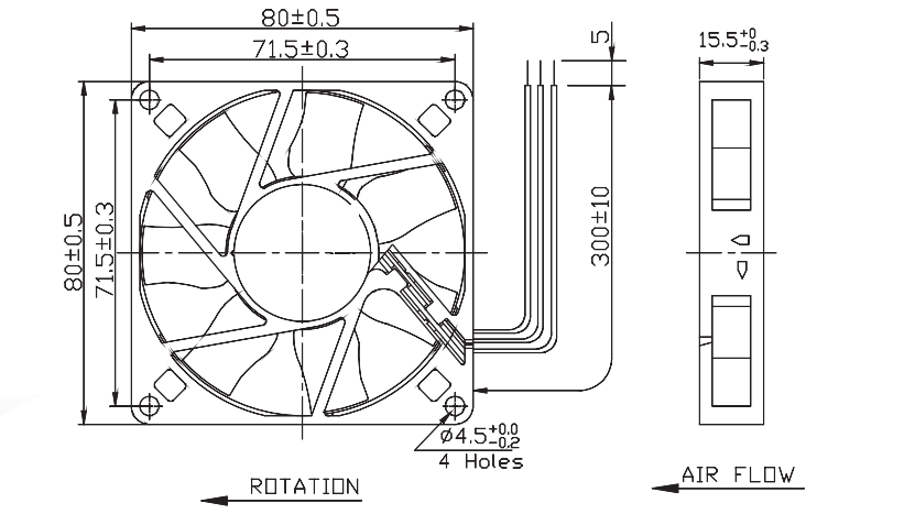
80x80x15
发布时间:2021-07-20
人气:
149
你觉得这篇文章怎么样?
0
0
标签:
全部
上一篇:
70x70x25
下一篇:
80x80x20
网友评论
管理员
该内容暂无评论
局域网网友
扫一扫咨询微信客服
在线客服
服务热线
服务热线
13862648623
微信咨询
返回顶部
管理员
该内容暂无评论